<address id="nl7nh"><listing id="nl7nh"></listing></address>

      <address id="nl7nh"></address>
        您好,歡迎光臨江蘇碩創機械設備有限公司!
        當前位置: 首頁 > 產品中心 > 管道泵 > ISGB型便拆式管道泵

        ISGB型便拆式管道泵

        概述:ISGB型便拆式立式管道泵是在ISG型離心泵的基礎上開發成功的一種結構新穎,技術先進的產品。該管道泵特別是在整體結構上進行大膽突破設計。。

        全國24小時銷售熱線:15852626160 立即咨詢 聯系我們 在線留言
        詳情

        ■ ISGB型便拆式立式管道泵產品概述:

        ISGB型便拆式立式管道泵是在ISG型離心泵的基礎上開發成功的一種結構新穎,技術先進的產品。該管道泵特別是在整體結構上進行大膽突破設計。采用獨立軸承體、泵軸支撐,解決了原來立式泵靠電機軸承支撐的不足之處;采用優秀水力模型的葉輪,消除了原立式泵軸向力大的不足之處;電機采用Y系列標準通用電機,解決原立式泵加長軸電機配套更換難的問題;同時100%的便拆結構,解決了更換大功率水泵的軸承、機械密封、葉輪、泵軸的難題。
        該管道泵與國內同類產品相比,具有運轉更平穩、使用壽命長、配套更方便、維護保養更輕松等等,無可代替的優點。在立式泵系列產品中屬國內前列,各項技術居國內領先,是替代ISG型立式泵、IS型離心泵、S型雙吸泵等常規各種離心泵的最理想產品。 

        ■ ISGB型便拆式立式管道泵工作條件: 

           1、ISGB型便拆式管道泵系統最高工作壓力為1.6MPa,即泵吸入口壓力+泵揚程≤1.6MPa(泵揚程工作壓力大于1.6MPa時應在訂貨另行提出,以便在制造時泵的過流部件和聯接部件采用鑄鋼)。 
           2、ISGB型便拆式管道泵輸送介質為清水或物理化學性質類似清水的其它液體。(輸送介質帶有細小顆粒的應在訂貨時另行說明,以便裝配耐磨式機械密封)。 
           3、環境溫度≤40℃,海拔高度≤1000m,相對濕度≤95%。 

        ■ ISGB型便拆式立式管道泵型號意義: 

         

        ■ ISGB型便拆式立式管道泵特點: 

             ISGB型便拆式立式管道泵與國內同類產品相比,具有運轉更平穩,使用壽命長,配套更方便,維護保養更輕松等無可代替的優點。在立式泵系列產品中屬國內首創,各項技術居國內領先,是替代ISG型立式泵、IS型離心泵、S型雙吸泵等常規離心泵的最理想產品。
            1、立式結構,安裝調試方便,獨特設計的電機和泵體采用聯接體聯接,同心度高、加工精度高,占地面積大大減少,縮減了建筑投資。底腳穩固、結構緊湊,精美的鑄造和外觀處理賦予立式離心泵新的美感,使產品煥發藝術的魅力,可以和國外著名廠家立式泵媲美.
            2、配用國內著名廠家生產的低速Y系列標準通用電機,運行平穩、噪音極低.
            3、軸承采用國際著名品牌精密軸承,精度高、可靠性好,壽命長.
            4、葉輪采用9 0年代最優秀可自平衡軸向力的水力模型,使得泵軸承和機械密封使用壽命大大延長.
            5、電機軸承座內的軸承都配有加油孔和放油孔,對軸承的維護保養十分方便.
            6、可拆卸爪型彈性聯軸器,使泵起動無振動、無噪音,旋轉部件設有可靠的安全防護罩,安全性極好。
            7、機械密封采用不銹鋼、碳化鎢、氟橡膠等材料制成,耐高溫、高壓、運行壽命長,無滲漏,對軸無磨損,保證工作環境整潔.
            8、泵蓋結構設計獨特,只要卸下爪型彈性聯軸器、泵蓋螺母,即可十分輕便取出軸承座、泵蓋、泵軸、葉輪等組合件,進行更換機械密封和葉輪,而不必拆卸電機、泵體和管道,維修方便快捷。 

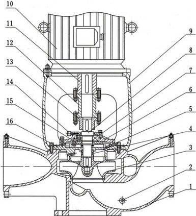
        ■ ISGB型便拆式立式管道泵結構圖: 

        1

        泵體

        2

        放水塞

        3

        葉輪

        4

        機械密封

        5

        放氣閥

        6

        軸承體

        7

        軸承

        8

        泵軸

        9

        支架

        10

        機電

        11

        電機軸聯器

        12

        中間軸聯器

        13

        泵軸聯器

        14

        油杯

        15

        軸承壓蓋

        16

        泵蓋

        ■ ISGB型便拆式立式管道泵結構說明:

        泵體:管道連接式的螺旋形泵殼,采用現代最優秀水力模型設計制造,法蘭符合GB4216.5,并帶有Rp1/4或Rp3/8測壓口。
        葉輪:閉式鑄鐵葉輪,優秀水力模型和特殊的結構保證泵的效率,且可靠的消除泵的軸向力。
        機械密封:勇于水溫150℃以下免保養,并不接受轉向限制。特殊的設計保證動環的補償性和密封性。
        泵軸:優化設計的泵軸和聯軸器融為一體,縮減傳動軸的尺寸,使泵更安全的運行,并且使整臺泵的體積減小。
        泵軸體:采用進口NTN或NSK精密軸承,噪音低、壽命長。
        電機:Y或Y2系列鼠籠式交流電機,型式:B5型。使用標準通用電機,維護、保養方便、快捷、大功率配有軸承潤滑保養注油孔裝置。

        ■ ISGB型便拆式立式管道泵適用范圍:

           1、高層建筑增壓送水;
           2、工廠系統輸送;
           3、水處理系統加壓;
           4、中央空調冷熱水循環;
           5、鍋爐系統輸送;
           6、游泳池輸水;
           7、工藝流程中增壓循環;

        ■ ISGB型便拆式立式管道泵產品用途:

        1、ISGB型便拆式立式管道泵供輸送清水及物理化學性質類似于清水的其他液體之用,適用于工業和城市給排水、高層建筑增壓送水、園林噴灌、消防增壓、遠距離輸送、暖通制冷循環、浴室等冷暖水循環增壓及設備配套,使用溫度T<80℃。
        2、IRGB(GRGB)型立式熱水循環泵廣泛適用于:能源、冶金、化工、紡織、造紙,以及賓館飯店等鍋爐高溫熱水增壓循環輸送及城市采用暖系統循環用泵,IRG型使用溫度T<120℃,珀GRG型使用溫度T<240℃。
        3、IHGB型立式管道化工泵,供輸送不含固體顆粒,具有腐蝕性,粘度類似于水的液體,適用于石油、化工、冶金、電力、造紙、食品制藥和合成纖維等部門,使用溫度為20℃~+120℃。
        4、YGB型立式管道油泵,供輸送汽油、煤油、柴油等石油產品,被輸送介質溫度為-20℃~+120℃。



        熱點新聞

        江蘇碩創機械設備有限公司

        地址:
        江蘇省江陰市普惠路與芙蓉大道交匯處
        手機:15852626160 聯系人:林經理 電子郵箱:[email protected] 電話:0510-86021669 網址:www.booksontexas.com

        在線留言

        在線咨詢

        版權所有: 江蘇碩創機械設備有限公司       技術支持:新超云網絡

        d8彩票

        Similar interests